

產品型號:W-38TS
產品名稱:?38福來輪 沖壓式滾輪流利條
>>說明
1.沖壓式滾輪流利條使用沖壓滾輪、福來輪、滾筒等,形式多樣。
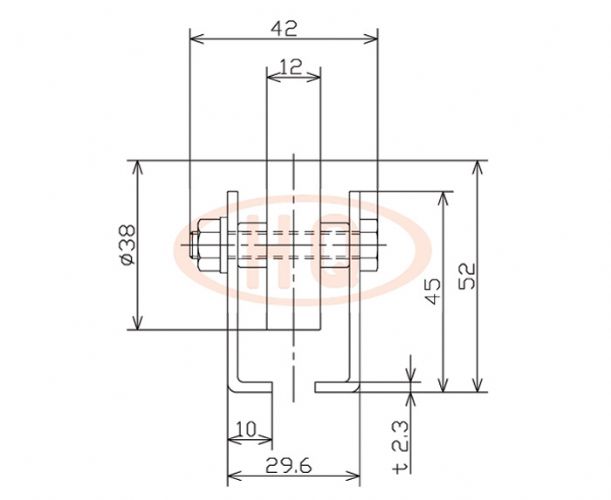
2.福來輪直徑:?38mm,福來輪寬度:12mm,使用軸:M6*38L
3.福來輪承載:20kg
4.福來輪表面處理:電鍍鋅
5.可以根據客戶要求定做。
>>示意圖
>>仕樣表
(單位:mm)
型 號 | 福來輪尺寸 | 使用軸 |
W-38TS | 38×12×6.5×25 | M6×38L |
框架尺寸 | 機高 | 全 長 | 福來輪中心距 | 彎道半徑 | 單只福來輪承載(kg) | 參考 |
45×29.6× 10×42×2.3 | 52 | 1,800?2,400?3,000 | 50?75?100?150 | 1,000 /1,200 | 20 |